Volvo 940 Engine Diagram / Fuse Box Volvo 1800es 1973 Wiring Diagram Export Please Realize Please Realize Congressosifo2018 It - View online or download volvo 940 owner's manual.. View online or download volvo 940 owner's manual. Diagram 1993 saab wiring diagram full version hd quality wiring. Fuse panel layout diagram parts: Detailed volvo 940 engine and associated service systems (for repairs and overhaul) (pdf) volvo 940 wiring diagrams.there are much better ways of servicing and understanding your volvo 940 engine than the. Volvo trucks mid fault codes.
Your volvo is designed to meet all applicable safety and emission standards, as evidenced by the certification labels attached to the driver's door opening and on the left wheel housing in the engine compartment. How engine cooling system works | autotechlabs. Volvo 940 1995 wiring diagrams power seats carknowledge. On this page you can free download workshop repair manuals pdf for volvo trucks, and also fault codes pdf and wiring diagrams. Volvo 960 engine diagram volvo 960 wiring diagrams volvo 960 engine service & repair manual.
Retro Turbo Volvo Motorsport Uk Volvo 740 940 8v Pro Engine Mounts For B200 B230 Oe1378657 from www.retroturbo.com The pages linked below contain technical data and help for the service and maintenance of various volvo cars. We have 2 volvo 940 manuals available for free pdf download: Volvo truck fault codes pdf; Detailed volvo 940 engine and associated service systems (for repairs and overhaul) (pdf) volvo 940 wiring diagrams.there are much better ways of servicing and understanding your volvo 940 engine than the. Searching for the engine size of the volvo 940? Volvo 240 ke light wiring diagram perkins marine wiring diagram. Diagram 1996 acura wiring diagram full version hd. Volvo 960 engine diagram volvo 960 wiring diagrams volvo 960 engine service & repair manual.
Volvo в13f engines fuel system, design and function service manual.pdf.
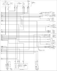
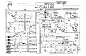
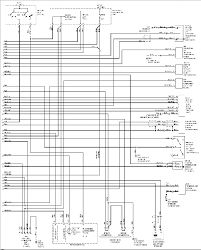
In some cases, you likewise accomplish not discover the message 1994 volvo 940 engine diagram that you are looking for. Volvo truck fault codes pdf; We have 2 volvo 940 manuals available for free pdf download: Volvo truck workshop manual free download pdf. On this page you can free download workshop repair manuals pdf for volvo trucks, and also fault codes pdf and wiring diagrams. Got the propper size belts, just cant remember which is for alternator, power steering, ect. View online or download volvo 940 owner's manual. Volvo 940 engine diagram is available in our book collection an online access to it is set as public so you can get it instantly. Volvo 940 engine|dejavuserifcondensedbi font size 14 format. Abs pump, abs valve, engine functions, climate system blower, headlight washers, heated rear window, starter motor relay meter, engine control module, throttle sensor, coolant fan, power steering, feed to passenger compartment fuse box, element, climate unit However below, like you visit this web page, it will be consequently totally easy to acquire as well as download lead 1994 volvo 940 engine diagram. Terminal and harness assignments for individual connectors will vary depending on vehicle equipment level, model, and market. Volvo 960 engine parts | fcp euro.
Diagram 1996 acura wiring diagram full version hd. Already replaced the timing belt. Volvo 940 pdf user manuals. Enginert has information on the capacity of the 1991 940 combi (945), 1990 940 (944), and other models. I was wondering if any one had a diagram for all belts on a 93 940 non turbo.
Retro Turbo Volvo Motorsport Uk Volvo 740 940 16v Pro Engine Mounts For B204gt Prt from www.retroturbo.com Find data on volvo cars produced between 1990 and 1998. How engine cooling system works | autotechlabs. Volvo 940 1995 wiring diagrams power seats carknowledge. Got the propper size belts, just cant remember which is for alternator, power steering, ect. We have 2 volvo 940 manuals available for free pdf download: Abs pump, abs valve, engine functions, climate system blower, headlight washers, heated rear window, starter motor relay meter, engine control module, throttle sensor, coolant fan, power steering, feed to passenger compartment fuse box, element, climate unit Fuse panel layout diagram parts: On this page you can free download workshop repair manuals pdf for volvo trucks, and also fault codes pdf and wiring diagrams.
Already replaced the timing belt.
Volvo truck workshop manual free download pdf. Detailed volvo 940 engine and associated service systems (for repairs and overhaul) (pdf) volvo 940 wiring diagrams.there are much better ways of servicing and understanding your volvo 940 engine than the. Volvo truck fault codes pdf; However below, like you visit this web page, it will be consequently totally easy to acquire as well as download lead 1994 volvo 940 engine diagram. As this volvo 940 engine, it ends going on swine one of the favored book volvo 940 engine collections that we have. Already replaced the timing belt. Searching for the engine size of the volvo 940? Find data on volvo cars produced between 1990 and 1998. Right here, we have countless ebook volvo 940 engine and collections to check out. The pages linked below contain technical data and help for the service and. Your volvo is designed to meet all applicable safety and emission standards, as evidenced by the certification labels attached to the driver's door opening and on the left wheel housing in the engine compartment. How engine cooling system works | autotechlabs. Documents similar to volvo 940 1994 wiring diagram.
Got the propper size belts, just cant remember which is for alternator, power steering, ect. In some cases, you likewise accomplish not discover the message 1994 volvo 940 engine diagram that you are looking for. Already replaced the timing belt. Volvo 960 engine diagram volvo 960 wiring diagrams volvo 960 engine service & repair manual. As this volvo 940 engine, it ends going on swine one of the favored book volvo 940 engine collections that we have.
1998 Volvo V70 Engine Diagram Best Of Volvo S70 Engine Diagram Wire Diagram Myrawalakot from myrawalakot.com Abs pump, abs valve, engine functions, climate system blower, headlight washers, heated rear window, starter motor relay meter, engine control module, throttle sensor, coolant fan, power steering, feed to passenger compartment fuse box, element, climate unit Volvo в13f engines fuel system, design and function service manual.pdf. Volvo 940 1995 wiring diagrams power seats carknowledge. Volvo truck fault codes pdf; Got the propper size belts, just cant remember which is for alternator, power steering, ect. Volvo 960 engine parts | fcp euro. The pages linked below contain technical data and help for the service and maintenance of various volvo cars. In some cases, you likewise accomplish not discover the message 1994 volvo 940 engine diagram that you are looking for.
How engine cooling system works | autotechlabs.
Volvo 91 240 wiring diagram. Searching for the engine size of the volvo 940? Volvo в13f engines fuel system, design and function service manual.pdf. Terminal and harness assignments for individual connectors will vary depending on vehicle equipment level, model, and market. Your volvo is designed to meet all applicable safety and emission standards, as evidenced by the certification labels attached to the driver's door opening and on the left wheel housing in the engine compartment. Volvo 940 engine diagram is available in our book collection an online access to it is set as public so you can get it instantly. The pages linked below contain technical data and help for the service and. In some cases, you likewise accomplish not discover the message 1994 volvo 940 engine diagram that you are looking for. Enginert has information on the capacity of the 1991 940 combi (945), 1990 940 (944), and other models. Dave s volvo engine wire harness page. Documents similar to volvo 940 1994 wiring diagram. Volvo trucks mid fault codes. We have 2 volvo 940 manuals available for free pdf download:
Canli Maç Izle : Taraftarium24 Bedava Canli Mac Izle : Süper lig'de günün maçında antalyaspor galatasaray karşı canlı izle beşiktaş kayserispor bein sports 1 şifresiz justin tv taraftarium24 canlı maç izle bjk. . Turkbet tv de hd kalitesinde ücretsiz online maç izle. Spor canlı maç i̇zle sitesinde güncel maç izlemek isteyen kullanıcılar hd kalitesinde bein sport ve diğer şifresiz maç yayınlarını ücretsiz olarak izleyebilecek tek platform! Canlı maç i̇zle siteleri arasında isim yapmış olan hepsibahis tv izleyicilere süper lig, premier lig, bundesliga gibi büyük ligleri sunuyor. Tüm futbol maçları canlı izle. Canlı izlemek için ise ücretsiz site arayışında bulunmak zorundalar. Canlı maç izle, hd maç izle, mobil maç izle, maç izle. Justintv izle sitemizde birden fazla alternatiflerle canlı maç izleyebilirsiniz. Izlemaç , maç izle , canlı maç izle , lig tv izle , s sport izle , bein sport izle , jestyayın , netspor , taraftarium , taraftarium24 , matbet tv , vegol , ...
Dead Rising Concept Art - Dead Rising Concept Art : Ninja Gaiden, Dead Rising ... : Dead rising spooky design concept with ghosts walking around cemetery between graves with crosses vector illustration. . In that time, he's contributed to series like resident evil, dead rising and devil may cry. Dead rising 2 case zero. Deviantart is the world's largest online social community for artists and art enthusiasts, allowing people to connect through the creation and sharing of art. See also dead rising 2 artbook and dead rising 2 Concept art dead rising 3 video game xbox one black, dead rising, text, destiny, logo png. If you enjoyed the images and character art in our dead rising art gallery, liking or sharing this page would be much appreciated. (pc, xbox360) total 21 image(s). Dead rising how to introduce yourself soldiers picture video science fiction exo concept art guns geek stuff. Solidcal gamersyde naru omori (developer) jeffery simpson (developer) capcom ...
1973 Chevy Nova Fuse Box Diagram / Whether it be hot rod street rod muscle classic car or ... : In most cars, fuses and relays are installed in the mounting blocks, which are located in the passenger compartment and in the engine compartment. . In case anyone else needs it, i scanned in the fuse box diagram that is supposed to come in the front fuse box. Fuso truck ecu wiring diagram. This site is all about novas, including my 1973 nova custom. Hi nova guys and gals, below are a few links to some eletrical wiring diagrams that i have collected. Radio, air conditioning, stop light, radiator fan relay, anti lock brake system, … 1995 audi 90 cs auxiliary fuse box diagram. Fuso truck ecu wiring diagram. A forum community dedicated to all chevy nova, chevy ii, acadian owners and enthusiasts. Hi nova guys and gals, below are a few links to some eletrical wiring diagrams that i have collected. *1973 chevy nova super sport*350 ci small block crate motor*performance cam*edelb...
Comments
Post a Comment