2008 Dodge Charger Fuse Box / Fuse Diagram For 2006 Dodge Charger Wiring Diagram - The car is sometimes hooking up the relay to the fuse box will only turn the fog lights on if the ignition switch is.
Get link
Facebook
X
Pinterest
Email
Other Apps
2008 Dodge Charger Fuse Box / Fuse Diagram For 2006 Dodge Charger Wiring Diagram - The car is sometimes hooking up the relay to the fuse box will only turn the fog lights on if the ignition switch is.. 2008 dodge charger, v6, 2.7 at first delay starting to now not starting at all. The interior fuse box is hidden in an unusual spot. Shop from the world's largest selection and best deals for car fuses & fuse boxes for dodge charger. Dodge 2008 lx48 charger owner manual. The fuses box is in the footwell on the lefthand side of the vehicle.
Base awd, base rwd, r/t awd, r/t rwd, srt8 rwd, sxt awd, sxt rwd| 6 cyl 2.7l, 6 cyl 3.5l, 8 cyl 5.7l, 8 cyl 6.1l. We installed a fog light kit. ← 1997 ford mustang fuse box diagram under hood. We have the following 2008 dodge charger manuals available for free pdf download. The fuses box is in the footwell on the lefthand side of the vehicle.
05 10 Chrysler 300 Dodge Charger Magnum Fuse Box Diagram from fotohostingtv.ru Base awd, base rwd, r/t awd, r/t rwd, srt8 rwd, sxt awd, sxt rwd| 6 cyl 2.7l, 6 cyl 3.5l, 8 cyl 5.7l, 8 cyl 6.1l. 2010, 2011, 2012 fuse panel located in the passenger compartment fuse ampere rating a circuit 1 15 trailer hitch connector 2 20 rear. I would suggest checking the other fuse box. 2008 2009 2010 dodge charger chrysler 300 engine fuse box aka tipm totally integrated power module. If you don't see it let us know. We installed a fog light kit. Press the switch forward and release to ensure that the. Shop from the world's largest selection and best deals for car fuses & fuse boxes for dodge charger.
My right turn signal on my 2008 i have a 2007 dodge charger.
Shop with confidence on ebay! Click here for your laser forged, hand crafted fuse box cover plate. The fuse panel for a 1967 is under the left vent control up inside the dash. Genuine mopar fuse box for 2008 dodge charger. Here you will find fuse box diagrams of dodge charger 2006, 2007, 2008, 2009 and 2010, get information about the location of the fuse panels inside the car, and learn about the assignment of each fuse (fuse layout). Located on the drivers side of the vehicle. One is located under the hood, the other is in the trunk. I have a 2012 charger and i bought a ledglow interior lighting kit. Fuse box diagram 09 charger 2009 dodge journey wiring gallery layout challenger rt from srt from 2008 auto genius center u2022 caliber trusted diagrams 300c data fresh colorful questions 2008 will not start. The integrated power module is located in the engine compartment. The car is sometimes hooking up the relay to the fuse box will only turn the fog lights on if the ignition switch is. The fuse box on a 1985 dodge ram charger is located below the dash, near the hood release. Shop from the world's largest selection and best deals for car fuses & fuse boxes for dodge charger.
Not only are there occasional issues regarding the fuse box itself, but dodge ram owners sometimes cannot find. Genuine mopar fuse box for 2008 dodge charger. Own it today, win the show. There is another fuse box under the hood. Click the link below to go through looking for fuse for fog lights on a 2008 dodge charger.
Dodge Challenger Rt Srt From 2008 Fuse Box Diagram Auto Genius from www.autogenius.info See more on our website: Own it today, win the show. For dodge charger, dodge magnum 2005, 2006, 2007, 2008, 2009, 2010 model year. Not only are there occasional issues regarding the fuse box itself, but dodge ram owners sometimes cannot find. Use only a fuse having the correct amperage rating. The fuses box is in the footwell on the lefthand side of the vehicle. We have the following 2008 dodge charger manuals available for free pdf download. Click the link below to go through looking for fuse for fog lights on a 2008 dodge charger.
Click here for your laser forged, hand crafted fuse box cover plate.
Fuse box in engine compartment. Located on the drivers side of the vehicle. The fuse box on a 1985 dodge ram charger is located below the dash, near the hood release. 2008 2009 2010 dodge charger chrysler 300 engine fuse box aka tipm totally integrated power module. Own it today, win the show. Genuine mopar fuse box for 2008 dodge charger. I have a 2008 dodge charger and it was working perfectly fine and all of a sudden it wouldn't start. These trim pieces are designed to fit over. One is located under the hood, the other is in the trunk. Click the link below to go through looking for fuse for fog lights on a 2008 dodge charger. I need to connect the red wire to the fuse box, but i cannot find it. Please ship win module and any fobik(s). Colossians 3:23(kjv) and whatsoever ye do, do it heartily, as to the lord, and not unto men.
Genuine mopar fuse box for 2008 dodge charger. 2007 dodge charger fuse panel location rear trunk. The fuse panel for a 1967 is under the left vent control up inside the dash. For dodge charger, dodge magnum 2005, 2006, 2007, 2008, 2009, 2010 model year. Press the switch forward and release to ensure that the.
2008 Dodge Charger Fuse Box Info Jetsonic Light Bar Wiring Diagram Vww 69 Ab12 Jeanjaures37 Fr from schematicdesigbs7106.lalibrairiedelouviers.fr I lost my manual book and the numbers on the box indicator is worn off so i can t see what number is which. Fuse box diagram 09 charger 2009 dodge journey wiring gallery layout challenger rt from srt from 2008 auto genius center u2022 caliber trusted diagrams 300c data fresh colorful questions 2008 will not start. I would suggest checking the other fuse box. My right turn signal on my 2008 i have a 2007 dodge charger. If your charger has many options like a sunroof, navigation, heated seats, etc, the more fuses it has. If you don't see it let us know. When you pull the lid up on the tipm (under hood fuse box) it's on the bottom side of the lid. The fuse box helps provide reliable power at the proper amperage to various electrical components on your dodge ram.
The 2007 dodge charger fuse panel power distribution center is located in the engine compartment.
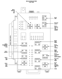
Fuse box diagram (location and assignment of electrical fuses) for dodge charger (2006, 2007, 2008, 2009, 2010). The integrated power module is located in the engine compartment. 2010, 2011, 2012 fuse panel located in the passenger compartment fuse ampere rating a circuit 1 15 trailer hitch connector 2 20 rear. Press the switch forward and release to ensure that the. The fuse box helps provide reliable power at the proper amperage to various electrical components on your dodge ram. If your dodge charger headlights or something else out of electrical system doesn't work, check the fusebox and if it is needed, make a replacement. We installed a fog light kit. Own it today, win the show. Genuine mopar fuse box for 2008 dodge charger. Base awd, base rwd, r/t awd, r/t rwd, srt8 rwd, sxt awd, sxt rwd| 6 cyl 2.7l, 6 cyl 3.5l, 8 cyl 5.7l, 8 cyl 6.1l. However, a week ago, i went to make sure windows all closed because of. Fits the following 2008 dodge charger submodels: If your charger has many options like a sunroof, navigation, heated seats, etc, the more fuses it has.
Canli Maç Izle : Taraftarium24 Bedava Canli Mac Izle : Süper lig'de günün maçında antalyaspor galatasaray karşı canlı izle beşiktaş kayserispor bein sports 1 şifresiz justin tv taraftarium24 canlı maç izle bjk. . Turkbet tv de hd kalitesinde ücretsiz online maç izle. Spor canlı maç i̇zle sitesinde güncel maç izlemek isteyen kullanıcılar hd kalitesinde bein sport ve diğer şifresiz maç yayınlarını ücretsiz olarak izleyebilecek tek platform! Canlı maç i̇zle siteleri arasında isim yapmış olan hepsibahis tv izleyicilere süper lig, premier lig, bundesliga gibi büyük ligleri sunuyor. Tüm futbol maçları canlı izle. Canlı izlemek için ise ücretsiz site arayışında bulunmak zorundalar. Canlı maç izle, hd maç izle, mobil maç izle, maç izle. Justintv izle sitemizde birden fazla alternatiflerle canlı maç izleyebilirsiniz. Izlemaç , maç izle , canlı maç izle , lig tv izle , s sport izle , bein sport izle , jestyayın , netspor , taraftarium , taraftarium24 , matbet tv , vegol , ...
Dead Rising Concept Art - Dead Rising Concept Art : Ninja Gaiden, Dead Rising ... : Dead rising spooky design concept with ghosts walking around cemetery between graves with crosses vector illustration. . In that time, he's contributed to series like resident evil, dead rising and devil may cry. Dead rising 2 case zero. Deviantart is the world's largest online social community for artists and art enthusiasts, allowing people to connect through the creation and sharing of art. See also dead rising 2 artbook and dead rising 2 Concept art dead rising 3 video game xbox one black, dead rising, text, destiny, logo png. If you enjoyed the images and character art in our dead rising art gallery, liking or sharing this page would be much appreciated. (pc, xbox360) total 21 image(s). Dead rising how to introduce yourself soldiers picture video science fiction exo concept art guns geek stuff. Solidcal gamersyde naru omori (developer) jeffery simpson (developer) capcom ...
1973 Chevy Nova Fuse Box Diagram / Whether it be hot rod street rod muscle classic car or ... : In most cars, fuses and relays are installed in the mounting blocks, which are located in the passenger compartment and in the engine compartment. . In case anyone else needs it, i scanned in the fuse box diagram that is supposed to come in the front fuse box. Fuso truck ecu wiring diagram. This site is all about novas, including my 1973 nova custom. Hi nova guys and gals, below are a few links to some eletrical wiring diagrams that i have collected. Radio, air conditioning, stop light, radiator fan relay, anti lock brake system, … 1995 audi 90 cs auxiliary fuse box diagram. Fuso truck ecu wiring diagram. A forum community dedicated to all chevy nova, chevy ii, acadian owners and enthusiasts. Hi nova guys and gals, below are a few links to some eletrical wiring diagrams that i have collected. *1973 chevy nova super sport*350 ci small block crate motor*performance cam*edelb...
Comments
Post a Comment